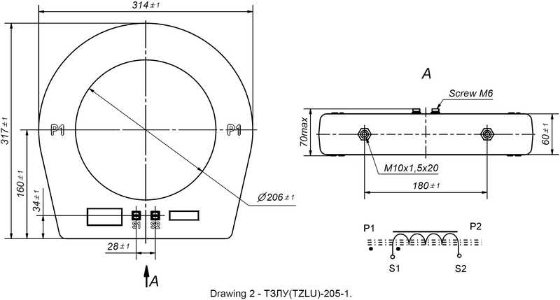
ТЗЛУ-205
Трансформатор тока ТЗЛУ-205, ТЗЛУ-205-1 предназначен для работы с токовыми реле и в схемах релейной защиты с микропроцессорным управлением, а также могут применяться для измерения токов однофазных цепей с высокой точностью.
Трансформатор изготавливается в исполнении У2 для работы в следующих условиях:
- высота над уровнем моря не более 1000 м;
- относительная влажность воздуха не более 98% при 30°С;
- верхнее рабочее значение температуры окружающего воздуха плюс 50ºС;
- нижнее рабочее значение температуры окружающего воздуха минус 45ºС;
- окружающая среда невзрывоопасная, не содержащая пыли, химически активных газов и паров в концентрациях, разрушающих покрытия металлов и изоляцию;
- положение трансформаторов в пространстве любое.
Пример записи условного обозначения трансформатора ТЗЛУ-205, ТЗЛУ-205-1 с коэффициентом трансформации 30/1 и трансформатора с коэффициентом трансформации 60/1 при номинальном вторичном токе 1 А:
Трансформатор тока ТЗЛУ-205-30-60/1 У2 АЛАГ.671231.006 ТУ;
Трансформатор тока ТЗЛУ-205-1-30/1 У2 АЛАГ.671231.006 ТУ;
Трансформатор тока ТЗЛУ-205-1-60/1 У2 АЛАГ.671231.006 ТУ.
По требованию заказчика трансформаторы могут быть поставлены с другими коэффициентами трансформации.
Средний срок службы, не менее - 40 лет.
Гарантийный срок эксплуатации - 5 лет с даты ввода трансформатора в эксплуатацию, но не более пяти с половиной лет с даты отгрузки с предприятия-изготовителя.
Обмотка трансформатора выполнена на сердечнике из нанокристаллического сплава. Это обеспечивает получение большого линейного динамического диапазона характеристик обмотки по току и углу. При этом, обеспечиваются долговременная стабильность характеристик в течении всего срока службы трансформатора и устойчивость магнитопровода к намагничиванию (от однополярных импульсных токов короткого замыкания (КЗ) трехфазного кабеля). Кроме этого, обеспечивается коэффициент безопасности приборов (FS) не более трех, что значительно уменьшает аварийные перегрузки измерительных приборов, подключенных ко вторичной обмотке.
Применение данных трансформаторов обеспечивает уменьшение эксплуатационных затрат у потребителей. Трансформаторы по указанным характеристикам не имеют аналогов в СНГ.
Трансформатор тока ТЗЛУ-205, ТЗЛУ-205-1 предназначен для работы с токовыми реле и в схемах релейной защиты с микропроцессорным управлением, а также могут применяться для измерения токов однофазных цепей с высокой точностью.
Трансформатор изготавливается в исполнении У2 для работы в следующих условиях:
- высота над уровнем моря не более 1000 м;
- относительная влажность воздуха не более 98% при 30°С;
- верхнее рабочее значение температуры окружающего воздуха плюс 50ºС;
- нижнее рабочее значение температуры окружающего воздуха минус 45ºС;
- окружающая среда невзрывоопасная, не содержащая пыли, химически активных газов и паров в концентрациях, разрушающих покрытия металлов и изоляцию;
- положение трансформаторов в пространстве любое.
Пример записи условного обозначения трансформатора ТЗЛУ-205, ТЗЛУ-205-1 с коэффициентом трансформации 30/1 и трансформатора с коэффициентом трансформации 60/1 при номинальном вторичном токе 1 А:
Трансформатор тока ТЗЛУ-205-30-60/1 У2 АЛАГ.671231.006 ТУ;
Трансформатор тока ТЗЛУ-205-1-30/1 У2 АЛАГ.671231.006 ТУ;
Трансформатор тока ТЗЛУ-205-1-60/1 У2 АЛАГ.671231.006 ТУ.
По требованию заказчика трансформаторы могут быть поставлены с другими коэффициентами трансформации.
Средний срок службы, не менее - 40 лет.
Гарантийный срок эксплуатации - 5 лет с даты ввода трансформатора в эксплуатацию, но не более пяти с половиной лет с даты отгрузки с предприятия-изготовителя.
Обмотка трансформатора выполнена на сердечнике из нанокристаллического сплава. Это обеспечивает получение большого линейного динамического диапазона характеристик обмотки по току и углу. При этом, обеспечиваются долговременная стабильность характеристик в течении всего срока службы трансформатора и устойчивость магнитопровода к намагничиванию (от однополярных импульсных токов короткого замыкания (КЗ) трехфазного кабеля). Кроме этого, обеспечивается коэффициент безопасности приборов (FS) не более трех, что значительно уменьшает аварийные перегрузки измерительных приборов, подключенных ко вторичной обмотке.
Применение данных трансформаторов обеспечивает уменьшение эксплуатационных затрат у потребителей. Трансформаторы по указанным характеристикам не имеют аналогов в СНГ.
- Наименование параметра Значение параметра
- Наивысшее напряжение оборудования, Um, [kV] 0,8
- Номинальный первичный ток, Ipn, [А] 30, 60
- Номинальный вторичный ток, Isn, [A] 1
- Номинальная частота, Fn, [Hz] 50*, 60
- Испытательное напряжение промышленной частоты, [kV] 3
- Коэффициент трансформации, Ipn/Isn 30/1, 60/1
- Исполнения с переключением +