Україна, 49038, м. Дніпро, вул. Князя Ярослава Мудрого, 68

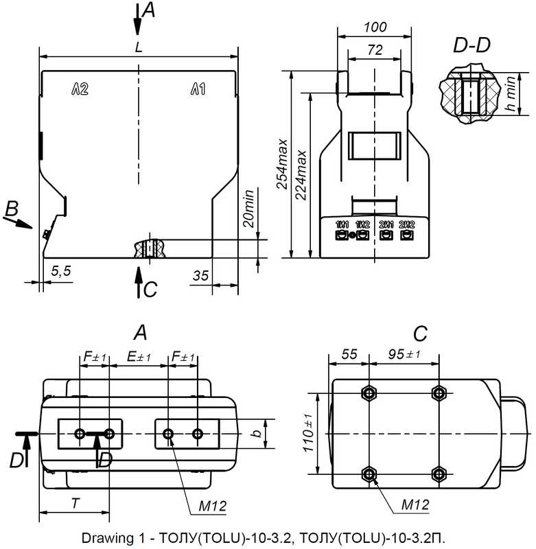
TCS2-12-14(15, 16)... (ТОЛУ-10-3)

Найвища напруга обладнання, Um, [kV]: 12;
Номінальний первинний струм, Ipn, [А]: 5 - 2000;
Клас точності вторинної обмотки для вимірювань: 0,2S; 0,2; 0,5S+; 0,5S; 0,5;
Клас точності вторинної обмотки для захисту: 5P; 10P;
Кількість вторинних обмоток: 1, 2, 3, 4;
Трансформатори проходять процедуру оцінки відповідності за модулями B+F, згідно Технічного регламенту законодавчо регульованих засобів вимірювальної техніки.
Трансформатори відповідають ДСТУ EN 61869-1:2017, ДСТУ EN 61869-2:2017, ГОСТ 7746-2015.

Трансформатори струму ТОЛУ-10-3 призначені для передачі сигналу вимірювальної інформації вимірювальним приладам, пристроям захисту і управління, для ізолювання ланцюгів вторинних з`єднань від високої напруги в комплектних електричних пристроях внутрішньої установки змінного струму з найвищою напругою обладнання 12 кВ частотою 50 Гц.

Трансформатори призначені для експлуатації в  приміщеннях, в яких коливання температури і вологості повітря не суттєво відрізняється від коливань на відкритому повітрі, а також в середині комплектних виробів призначених для експлуатації на відкритому повітрі за умови відсутності прямого впливу сонячного випромінювання та атмосферних опадів, в наступних умовах:

- висота над рівнем моря − не більше 1000 м;

- відносна вологість повітря не більше 98 % при 30 °С;

- верхнє робоче значення температури, навколишнього повітря − плюс 50 °С;

- нижнє робоче значення температури навколишнього повітря − мінус 45 °С;

- навколишнє середовище - вибухобезпечне, яке не містить пилу, хімічно активних газів і пари в
концентраціях, що руйнують покриття металів та ізоляцію;

- положення трансформаторів в просторі - будь-яке.

Клас нагрівостійкості ізоляції – В по ДСТУ EN 61869-1:2017.

Клас займистості трансформаторів відповідає групі НВ40 за ДСТУ EN 60695-11-10.

Вимірювальна вторинна обмотка трансформатора виконана на осерді з нанокристалічного сплаву. Це забезпечує отримання великого лінійного динамічного діапазону характеристик обмотки по струму і куту. При цьому, забезпечується довготривала стабільність характеристик протягом всього терміну служби трансформатора і стійкість магнітопроводу до намагнічування (від однополярних імпульсних струмів КЗ). Крім цього, забезпечується коефіцієнт безпеки приладів не більше трьох, що значно зменшує аварійні перевантаження вимірювальних приладів, підключених до вимірювальної вторинної обмотки.

Застосування даних трансформаторів забезпечує зменшення експлуатаційних витрат у споживачів.

Трансформатори відповідають ДСТУ EN 61869-1:2017, ДСТУ EN 61869-2:2017, ГОСТ 7746-2015.

  • Найменування параметру Значення параметру
  • Найвища напруга обладнання, Um, [kV] 12
  • Номінальний первинний струм, Ipn, [А] 5; 7,5; 10; 12,5; 15; 20; 25; 30; 40; 50; 60; 75; 80; 100; 125; 150; 200; 250; 300; 400; 500; 600; 750; 800; 1000; 1200; 1250; 1500; 1600; 2000
  • Номінальний вторинний струм, Isn, [A] 1, 5*
  • Номінальна частота, Fn, [Hz] 50*, 60
  • Клас точності вторинної обмотки для вимірювань 0,2; 0,2S; 0,5; 0,5S*; 0,5S+
  • Клас точності вторинної обмотки для захисту 5P; 10P*
  • Номінальна вторинна навантага при соs φ = 0,8 - обмотка для вимірювань, [VA] 5; 10*; 15; 20; 30
  • Номінальна вторинна навантага при соs φ = 0,8 - обмотка для захисту, [VA] 5; 10; 15*; 20; 30
  • Коефіцієнт безпеки приладу, FS 3 - 5
  • Коефіцієнт граничної точності, ALF 5 - 30
  • Кількість вторинних обмоток 1, 2, 3, 4
  • Випробувальна напруга промислової частоти, [kV] 28
  • Виконання з перемиканням +

Номінальний первинний струм, IPR, [А]

5; 7,5

10; 12,5; 15; 20 

25; 30

40

50

60; 75

80; 100

125

150

200

250

Номінальна гранична кратність вторинної обмотки для захисту,  ALF, не менше

7

7

7

8

8

7

8

8

7

8

8

Струм термічної стійкості для 1 с, Ith, [kA]

0,8

2,6

3,3

3,3

3,7

7,4

7,4

11

14,4

14,4

18

Струм термічної стійкості для 3 с, [kA]

0,4

1,3

1,6

1,6

1,8

3,7

3,7

5,5

7,2

7,2

9

Струм електродинамічної стійкості, Idyn,[kA]

2

6,5

8,3

8,3

9,3

18,5

18,5

27,5

36

36

45

 

Номінальний первинний струм, IPR, [А]

300

400

500

600

750

800; 1000

1200

1250

1500

1600

2000

Номінальна гранична кратність вторинної обмотки для захисту,  ALF, не менше

7

8

8

9

8

9

8

8

9

9

9

Струм термічної стійкості для 1 с, Ith, [kA]

28,8

28,8

36

36

72

72

86

100

100

100

100

Струм термічної стійкості для 3 с, [kA]

14,4

14,4

18

18

36

36

43

50

50

50

50

Струм електродинамічної стійкості, Idyn, [kA]

72

72

90

90

180

180

216

250

250

250

250