Україна, 49038, м. Дніпро, вул. Князя Ярослава Мудрого, 68

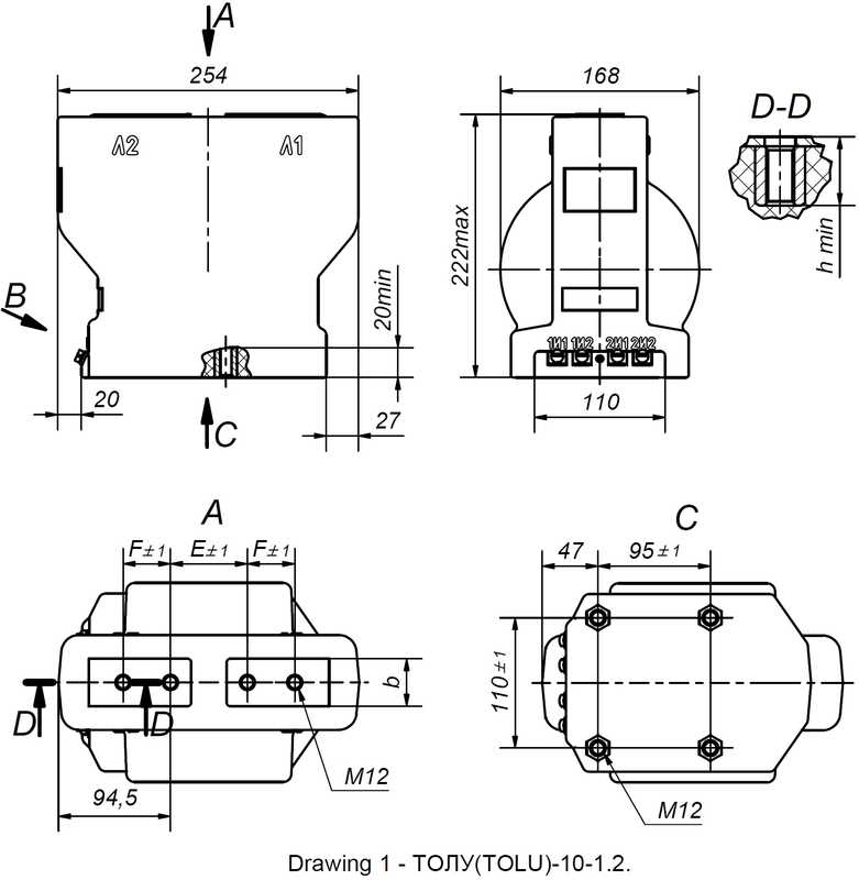
TCS2-12-00... (ТОЛУ-10-1)

Найвища напруга обладнання, Um, [kV]: 12;
Номінальний первинний струм, Ipn, [А]: 5 - 1000;
Клас точності вторинної обмотки для вимірювань: 0,2S; 0,2; 0,5S+; 0,5S; 0,5;
Клас точності вторинної обмотки для захисту: 5P; 10P;
Кількість вторинних обмоток: 1, 2;
Трансформатори проходять процедуру оцінки відповідності за модулями B+F, згідно Технічного регламенту законодавчо регульованих засобів вимірювальної техніки.
Трансформатори відповідають ДСТУ EN 61869-1:2017, ДСТУ EN 61869-2:2017, ГОСТ 7746-2015.

Трансформатори струму ТОЛУ-10-1 (TCS2-12-00) призначені для передачі сигналу вимірювальної інформації вимірювальним приладам, пристроям захисту і управління, для ізолювання ланцюгів вторинних з`єднань від високої напруги в комплектних електричних пристроях внутрішньої установки (КРУ, КРУН, КСО) змінного струму з найвищою напругою обладнання 12 кВ частотою 50 Гц.

Трансформатори призначені для експлуатації в  приміщеннях, в яких коливання температури і вологості повітря не суттєво відрізняється від коливань на відкритому повітрі, а також в середині комплектних виробів призначених для експлуатації на відкритому повітрі за умови відсутності прямого впливу сонячного випромінювання та атмосферних опадів, в наступних умовах:

- висота над рівнем моря − не більше 1000 м;

- відносна вологість повітря не більше 98 % при 30 °С;

- верхнє робоче значення температури, навколишнього повітря − плюс 50 °С;

- нижнє робоче значення температури навколишнього повітря − мінус 45 °С;

- навколишнє середовище - вибухобезпечне, яке не містить пилу, хімічно активних газів і пари в
концентраціях, що руйнують покриття металів та ізоляцію;

- положення трансформаторів в просторі - будь-яке.

Клас нагрівостійкості ізоляції – В по ДСТУ EN 61869-1:2017.

Клас займистості трансформаторів відповідає групі НВ40 за ДСТУ EN 60695-11-10.

Вторинна обмотка для вимірювання виконана на осерді з нанокристалічного сплаву. Це забезпечує відповідність обмотки класу точності в більш широкому діапазоні сили первинного струму в порівнянні з вимогами діючого стандарту. При цьому, забезпечується довготривала стабільність характеристик протягом всього терміну служби трансформатора і стійкість магнітопроводу до намагнічування (від однополярних імпульсних струмів КЗ). Крім цього, забезпечується коефіцієнт безпеки приладів в межах від трьох до п’яти, що значно зменшує аварійні перевантаження вимірювальних приладів, підключених до вимірювальної вторинної обмотки.

Застосування даних трансформаторів забезпечує зменшення експлуатаційних витрат у споживачів.
Трансформатори відповідають ДСТУ EN 61869-1:2017, ДСТУ EN 61869-2:2017, ГОСТ 7746-2015.

  • Найменування параметру Значення параметру
  • Найвища напруга обладнання, Um, [kV] 12
  • Номінальний первинний струм, Ipn, [А] 5; 7,5; 10; 12,5; 15; 20; 25; 30; 40; 50; 60; 75; 80; 100; 125; 150; 200; 250; 300; 400; 500; 600; 750; 800; 1000
  • Номінальний вторинний струм, Isn, [A] 1, 5*
  • Номінальна частота, Fn, [Hz] 50*, 60
  • Клас точності вторинної обмотки для вимірювань 0,2; 0,2S; 0,5; 0,5S*; 0,5S+
  • Клас точності вторинної обмотки для захисту 5P; 10P*
  • Номінальна вторинна навантага при соs φ = 0,8 - обмотка для вимірювань, [VA] 5; 10*; 15; 20; 30
  • Номінальна вторинна навантага при соs φ = 0,8 - обмотка для захисту, [VA] 15*; 20
  • Коефіцієнт безпеки приладу, FS 3 - 5
  • Коефіцієнт граничної точності, ALF 5 - 13
  • Кількість вторинних обмоток 1, 2
  • Випробувальна напруга промислової частоти, [kV] 28
  • Виконання з перемиканням -

Номінальний первинний струм, IPR, [А]

5; 7,5

10; 12,5; 15; 20 

25; 30

40

50

60; 75

80; 100

125

150

Номінальна гранична кратність вторинної обмотки для захисту,  ALF, не менше

7

7

7

8

8

7

8

8

7

Струм термічної стійкості для 1 с, Ith, [kA]

0,8

2,6

3,3

3,3

3,7

7,4

7,4

11

14,4

Струм термічної стійкості для 3 с, [kA]

0,4

1,3

1,6

1,6

1,8

3,7

3,7

5,5

7,2

Струм електродинамічної стійкості, Idyn,[kA]

2

6,5

8,3

8,3

9,3

18,5

18,5

27,5

36

 

Номінальний первинний струм, IPR, [А]

200

250

300

400

500

600

750

800

1000

Номінальна гранична кратність вторинної обмотки для захисту,  ALF, не менше

8

8

7

8

8

9

8

9

9

Струм термічної стійкості для 1 с, Ith, [kA]

14,4

18

28,8

28,8

36

36

72

72

72

Струм термічної стійкості для 3 с, [kA]

7,2

9

14,4

14,4

18

18

36

36

36

Струм електродинамічної стійкості, Idyn, [kA]

36

45

72

72

90

90

180

180

180