Україна, 49038, м. Дніпро, вул. Князя Ярослава Мудрого, 68

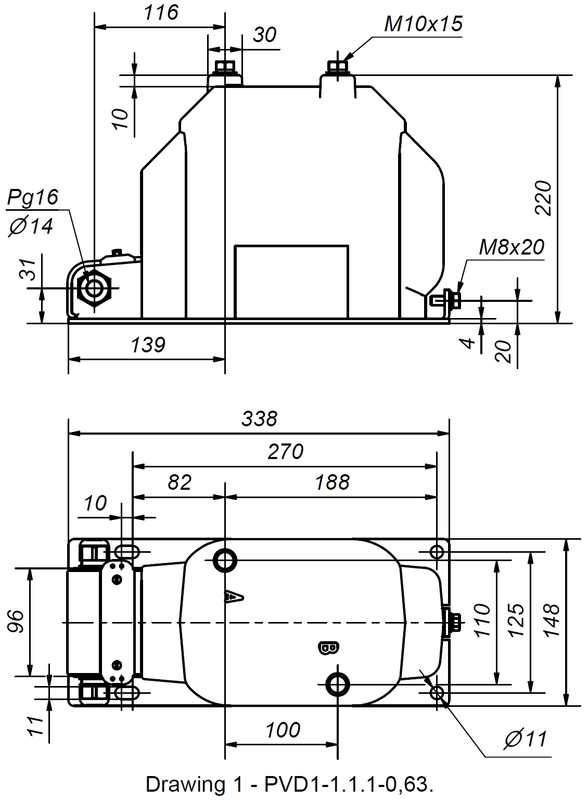
PVD1(F)

Трансформатори призначені для встановлення в комплектні розподільчі пристрої внутрішньої та зовнішньої установки з метою забезпечення живлення кіл власних потреб пунктів секціонування та автоматичного увімкнення резерву. Трансформатори використовуються в установках змінного струму на об’єктах електроенергетики в промисловості, сільському господарстві, в комунальному секторі та  інших галузях народного господарства.

Технічні характеристики відповідають ДСТУ EN 60076-1 і ДСТУ EN 60076-11.

Трансформатори призначені для встановлення в комплектні розподільчі пристрої внутрішньої та зовнішньої установки з метою забезпечення живлення кіл власних потреб пунктів секціонування та автоматичного увімкнення резерву. Трансформатори використовуються в установках змінного струму на об’єктах електроенергетики в промисловості, сільському господарстві, в комунальному секторі та  інших галузях народного господарства.

Технічні характеристики відповідають ДСТУ EN 60076-1 і ДСТУ EN 60076-11.

Трансформатори призначені для експлуатації в  приміщеннях, в яких коливання температури і вологості повітря не суттєво відрізняється від коливань на відкритому повітрі, а також в середині комплектних виробів призначених для експлуатації на відкритому повітрі за умови відсутності прямого впливу сонячного випромінювання та атмосферних опадів, в наступних умовах:

- висота над рівнем моря − не більше 1000 м;

- відносна вологість повітря не більше 98 % при 30 °С;

- верхнє робоче значення температури, навколишнього повітря − плюс 50 °С;

- нижнє робоче значення температури навколишнього повітря − мінус 45 °С;

- навколишнє середовище - вибухобезпечне, яке не містить пилу, хімічно активних газів і пари в
концентраціях, що руйнують покриття металів та ізоляцію;

- положення трансформаторів в просторі - будь-яке.

Клас нагрівостійкості ізоляції – В по ДСТУ EN 61869-1:2017.

Клас займистості трансформаторів відповідає групі НВ40 за ДСТУ EN 60695-11-10.

  • Найменування параметру Значення параметру
  • Найвища напруга обладнання, Um, [kV] 3,6; 7,2; 12
  • Номінальна напруга первинної обмотки, Un, [kV] 3,0; 3,3; 3,6; 6; 6,3; 6,6; 10; 10,5; 11
  • Номінальна потужність, Pn, [kVA] 0,63; 1,25
  • Номінальна напруга вторинної обмотки, [V] 100-209-220-231; 220
  • Діапазон робочої напруги, % від номінальної ± 20
  • Сила струму холостого ходу, не більше, [%] 4
  • Перенавантажувальна здатність 2xPn/10 хв