Ukraine, 49038, Dnipro, 68 Kniazia Yaroslava Mudroho str.

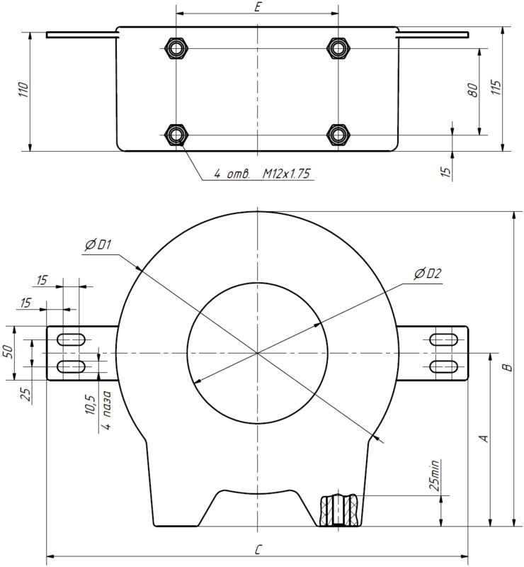
Damping reactor RD260

Damping reactors RD260 ... are designed to limit the current value during transients that occur when capacitor banks are connected in the network in reactive power compensators. Damping reactors are connected in series with a capacitor bank.

Damping reactors are manufactured in the performance category U of the placement category 2 in accordance with GOST 15150-69, and designed to work under the following conditions:

-      altitude above sea level - not more than 1000 m;

-     relative humidity of air - not more than 98% at 30 ° С;

-     the upper operating value of the ambient air temperature is plus 50 ° C;

-     the lower operating value of ambient air temperature is minus 45 ° С;

-     the environment shall be non-explosive, containing no dust, reactive gases and vapors in concentrations that destroy metal coatings and insulation (atmosphere type II according to GOST 15150-69);

-      position of transformers in space - any.

The heat resistance class of insulation is B.

The flammability class of the Reactors corresponds to the HB40 group according to DSTU EN 60695-11-10.

An example of a designation of the Reactor of the first standard size (260 mm):

- rated current 60 A;

- inductance 0.25 mH.

RD260-0.25/60

Compare

Damping reactors RD260 ... are designed to limit the current value during transients that occur when capacitor banks are connected in the network in reactive power compensators. Damping reactors are connected in series with a capacitor bank.

Damping reactors are manufactured in the performance category U of the placement category 2 in accordance with GOST 15150-69, and designed to work under the following conditions:

-      altitude above sea level - not more than 1000 m;

-     relative humidity of air - not more than 98% at 30 ° С;

-     the upper operating value of the ambient air temperature is plus 50 ° C;

-     the lower operating value of ambient air temperature is minus 45 ° С;

-     the environment shall be non-explosive, containing no dust, reactive gases and vapors in concentrations that destroy metal coatings and insulation (atmosphere type II according to GOST 15150-69);

-      position of transformers in space - any.

The heat resistance class of insulation is B.

The flammability class of the Reactors corresponds to the HB40 group according to DSTU EN 60695-11-10.

An example of a designation of the Reactor of the first standard size (260 mm):

- rated current 60 A;

- inductance 0.25 mH.

RD260-0.25/60

  • Parameter name Parameter value
  • Highest voltage for equipment, Um, [kV] 12
  • Rated frequency, Fn, [Hz] 50
  • Rated inductance, [mH] / Rated current, [A] 0,35/50; 0,25/60; 0,1/100; 0,05/125; 0,03/175
  • Short-time thermal current, Ith@1s, [А] 43 In
  • The maximum allowable long-term current 1,3 In
  • Insulation strength test voltage, [kV] 28
  • Weight, [kg] 15-20